您好!欢迎来到上海潭兴企业有限公司官方网站!我司为台湾潭兴精工有限公司大陆分公司。




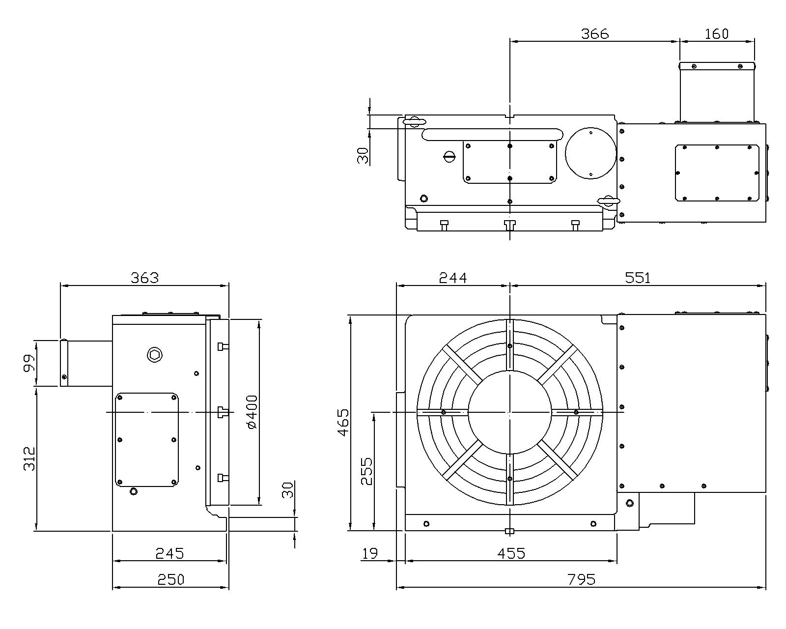
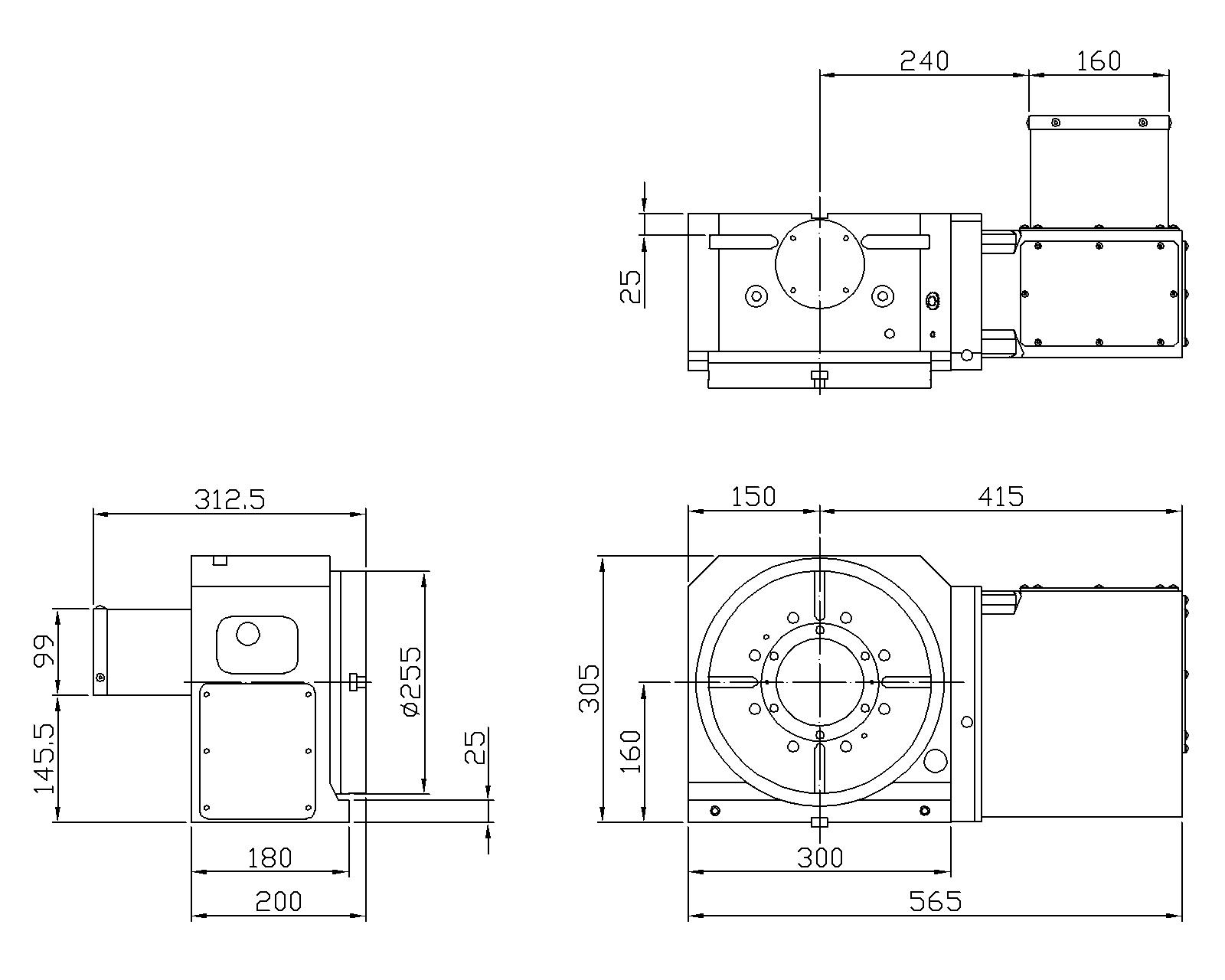
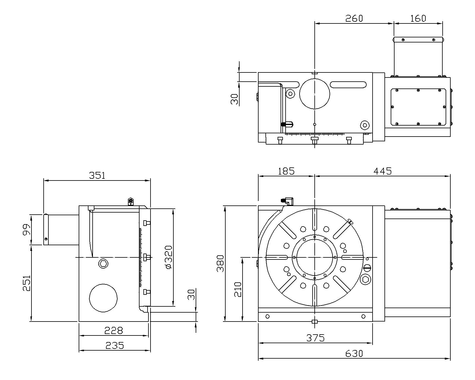
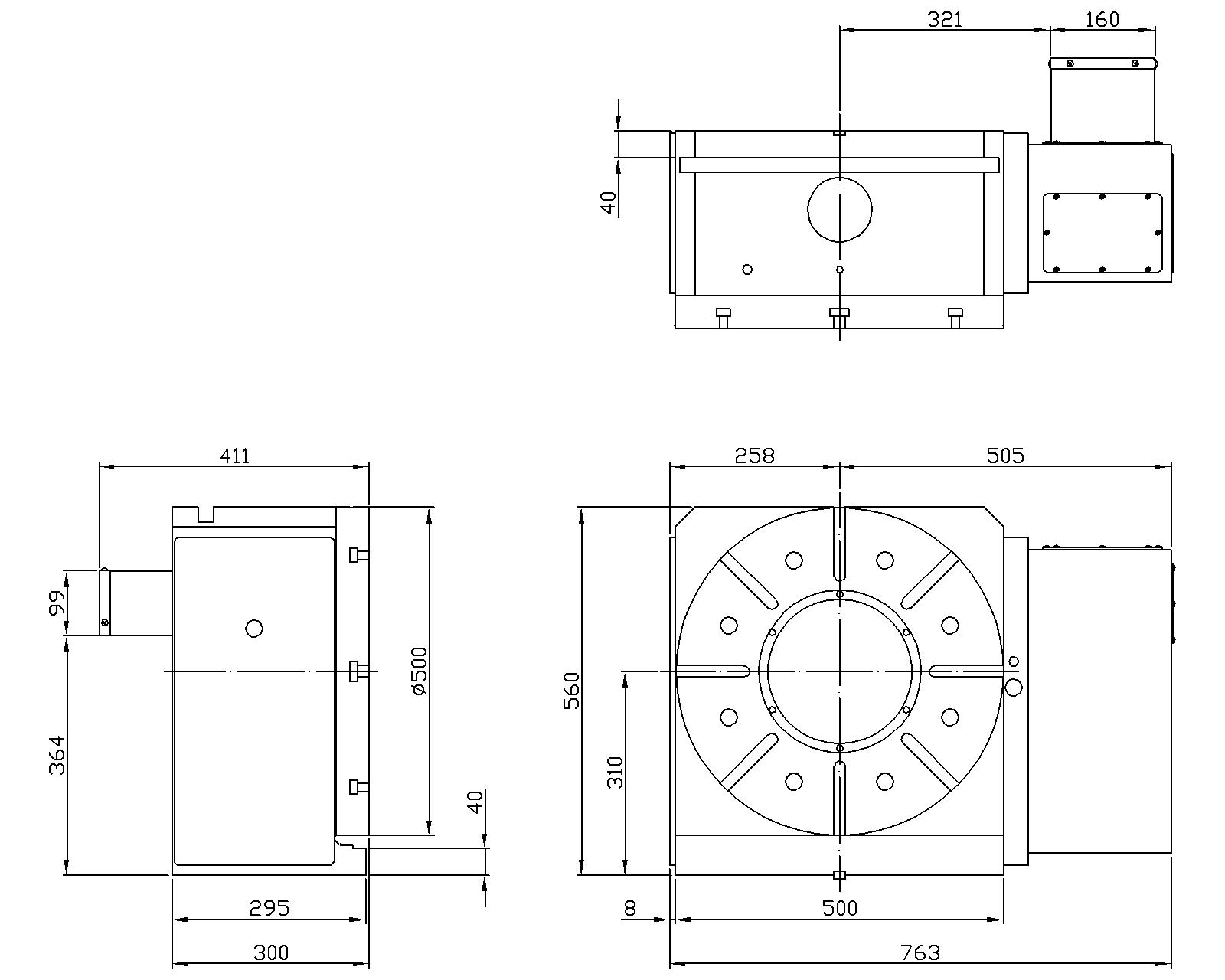
| 規格/型號 | 單位 | BRNC-255A | BRNC-320A | BRNC-40A | BRNC-500 | ||
|---|---|---|---|---|---|---|---|
| 旋台直徑 | mm | ?255 | ?320 | ?400 | ?500 | ||
| 工作台高度 | 臥式位置 | mm | 200 | 235 | 250 | 300 | |
| 中心高度 | 立式位置 | mm | 160 | 210 | 255 | 310 | |
| 總高度 | mm | 305 | 380 | 465 | 560 | ||
| 中心孔直徑 | mm | ?100H7 | ?120H7 | ?180H7 | ?220H7 | ||
| 貫穿孔徑 | mm | ?100 | ?120 | ?180 | ?220 | ||
| 工作台T型槽寬度 | mm | 12H7 | 14H7 | 14H7 | 18H7 | ||
| 導塊寬度 | mm | 18h7 | 18h7 | 18h7 | 18h7 | ||
| 小設定單位 | deg. | 0.001° | 0.001° | 0.001° | 0.001° | ||
| 分度精度 | sec. | 20" | 20" | 20" | 20" | ||
| 重覆精度 | sec. | 4" | 4" | 4" | 4" | ||
| 伺服馬達 (廠牌可依需求指定) | FANUC | αiF 8 | αiF 12 | αiF 12 | αiF 12 | ||
| MITSUBISHI | HF/HG-154S | HF/HG-204S | HF/HG-204S | HF/HG-204S | |||
| SIEMENS | 1FK7063 | 1FK7083 | 1FK7083 | 1FK7083 | |||
| HEIDENHAIN | QSY116E | QSY155B | QSY155B | QSY155B | |||
| 總減速比 | 1/120 | 1/120 | 1/180 | 1/180 | |||
| 盤面更高轉速 | r.p.m | 25 | 25 | 16.6 | 16.6 | ||
| 容許旋轉扭矩 | N.m (kgf.m) | 568(58) | 784(80) | 1715(175) | 2508(256) | ||
| 使用壓力(鎖緊方式) | kg/cm2 | 35 (Hyd.) | 35 (Hyd.) | 35 (Hyd.) | 35 (Hyd.) | ||
| 夾緊扭矩 | N.m (kgf.m) | 686(70) | 1176(120) | 1764(180) | 2450(250) | ||
| 容許工件載重 | 立式安裝時 | kg | 200 | 225 | 240 | 320 | |
| 臥式安裝時 | kg | 640 | 750 | 800 | 960 | ||
| 使用尾座時 | kg | 400 | 450 | 480 | 640 | ||
| 容許切削負載力矩 (轉盤夾緊時) | F軸向力 | N (kgf) | 25000 (2551) | 30000 (3061) | 35000 (3571) | 40000 (4081) | |
| FxL徑向力 | N.m (kgf.m) | 686 (70) | 1176 (120) | 1764 (180) | 2450 (250) | ||
| FxL傾斜力矩 | N.m (kgf.m) | 3200 (326) | 4000 (408) | 5000 (510) | 8000 (816) | ||
| 容許負載慣性矩 | J=W.D2/8 | kg.m2 (kg.cm.sec2) | 5.2 (53.08) | 9.6 (97.96) | 16 (163.2) | 30(306) | |
| 旋台重量(不含伺服馬達) | kg | 100 | 180 | 270 | 400 | ||
企业名称:
上海潭兴企业有限公司
公司电话:
021-59785163
公司地址:
上海市青浦区崧盈路1299号5号楼1楼
资料获取:
021-59785162-8003
扫码关注我们
Copyright@2021 备案号:沪ICP备19042082号 技术支持:应客网 sitemap.xml