您好!欢迎来到上海潭兴企业有限公司官方网站!我司为台湾潭兴精工有限公司大陆分公司。



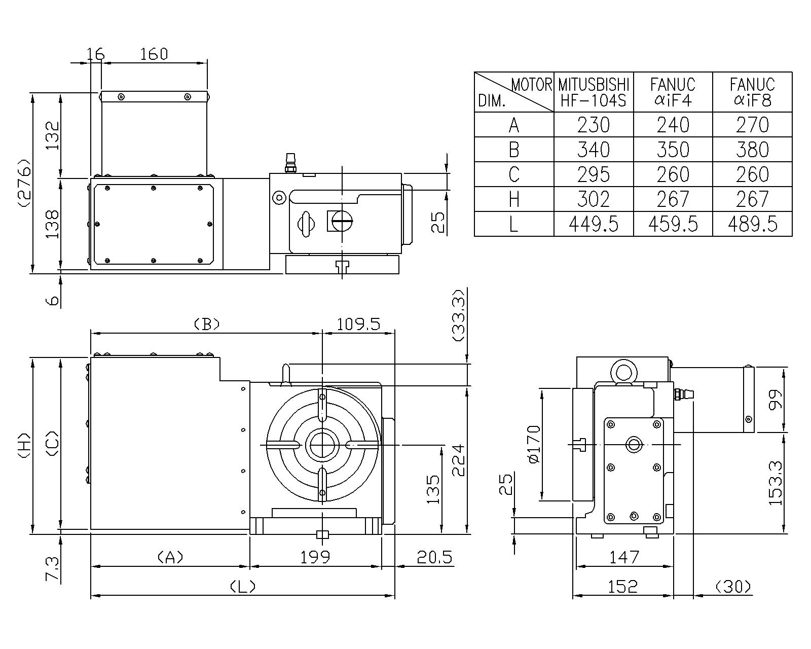
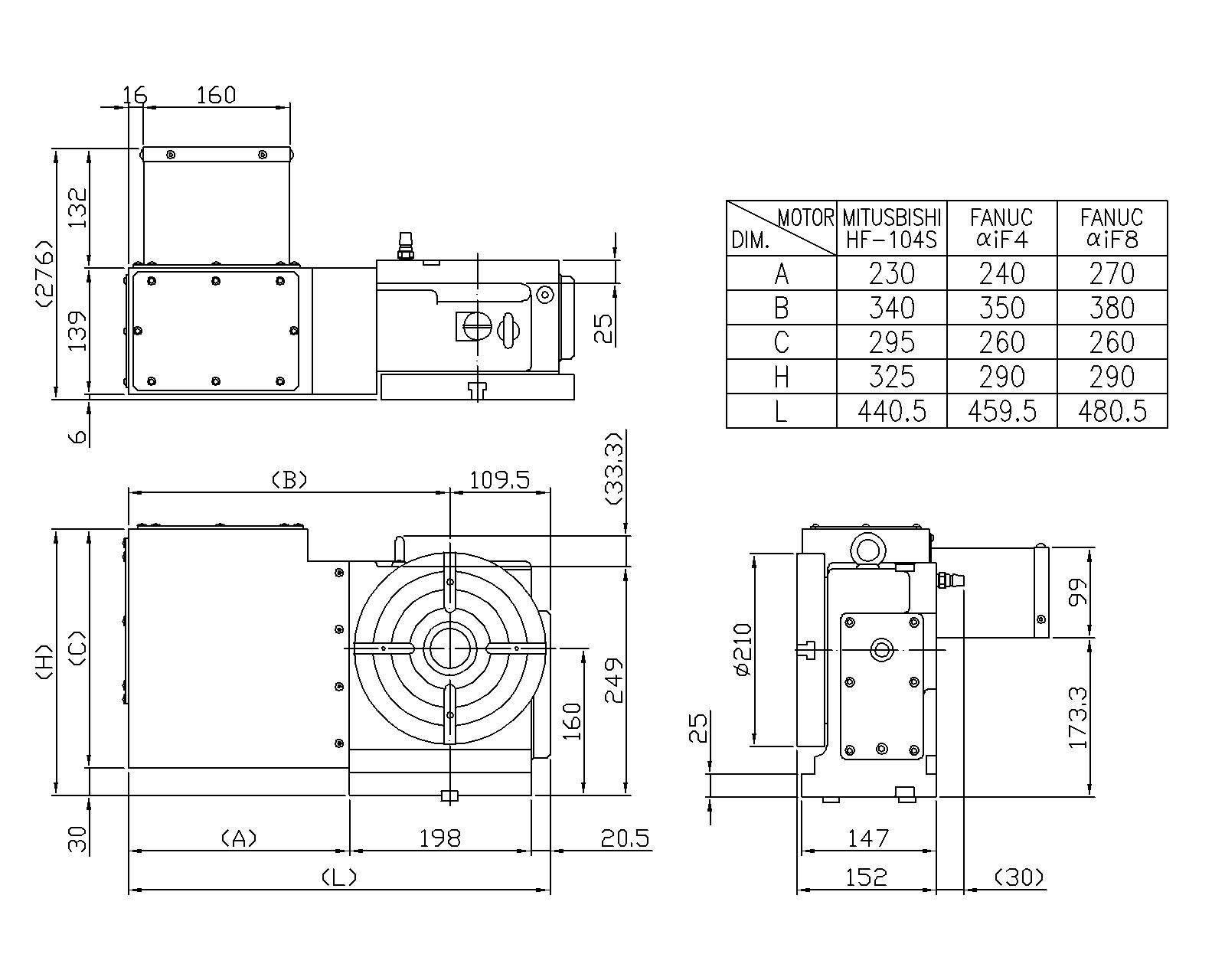
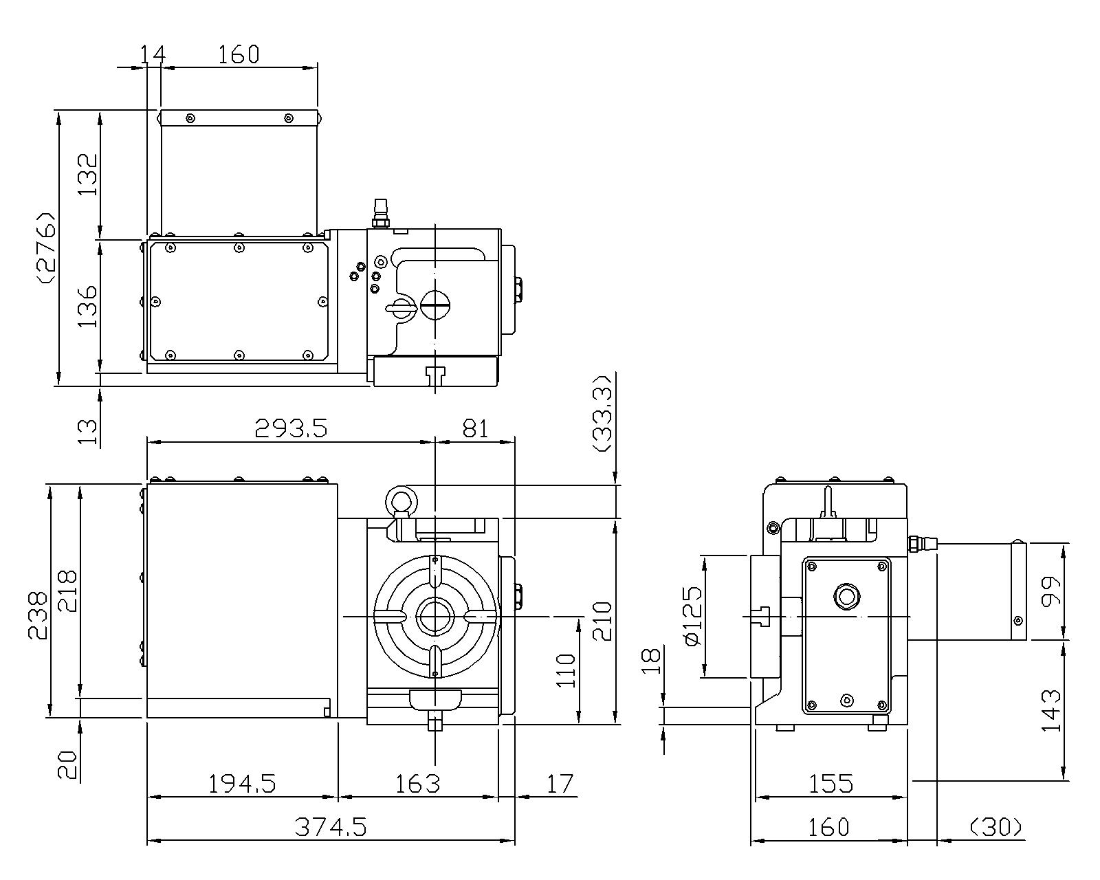
旋转台直径?125、?170、?210mm。
马达安装在左边(立、卧两用)。
使用高精度之Cross Roller轴承。
独特高齿深的复导程蜗杆传动。
气压系统。
| 规格/型号 | 單位 | VRNC-A125-L | VRNC-170-L | VRNC-210-L | ||
|---|---|---|---|---|---|---|
| 旋台直径 | mm | ?125 | ?170 | ?210 | ||
| 工作台高度 | 臥式位置 | mm | 160 | 152 | 152 | |
| 中心高度 | 立式位置 | mm | 110 | 135 | 160 | |
| 中心孔直径 | mm | ?30H7 | ?35H7 | ?45H7 | ||
| 貫穿孔径 | mm | ?30 | ?35 | ?45 | ||
| 工作台T型槽寬度 | mm | 12H7 | 12H7 | 12H7 | ||
| 導塊寬度 | mm | 14h7 | 18h7 | 18h7 | ||
| 小設定單位 | deg. | 0.001° | 0.001° | 0.001° | ||
| 分度精度 | sec. | 40" | 20" | 20" | ||
| 重覆精度 | sec. | 4" | 4" | 4" | ||
| 伺服马达 (廠牌可依需求指定) | FANUC | αiF 2 | αiF 4 | αiF 4 | ||
| MITSUBISHI | HF/HG-75S | HF/HG-104S | HF/HG-104S | |||
| SIEMENS | 1FK7042 | 1FK7060 | 1FK7060 | |||
| HEIDENHAIN | QSY96A | QSY116C | QSY116C | |||
| 总減速比 | 1/90 | 1/90 | 1/90 | |||
| 盤面更高转速 | r.p.m | 44.4 | 44.4 | 44.4 | ||
| 容許旋轉扭矩 | N.m (kgf.m) | 83.3(8.5) | 147(15) | 147(15) | ||
| 使用壓力(鎖緊方式) | kg/cm2 | 5(Pne.) | 5(Pne.) | 5(Pne.) | ||
| 夾緊扭矩 | N.m (kgf.m) | 78.4(8) | 78.4(8) | 156.8(16) | ||
| 容許工件載重 | 立式安裝時 | kg | 50 | 75 | 75 | |
| 臥式安裝時 | kg | 100 | 150 | 150 | ||
| 使用尾座時 | kg | 100 | 150 | 150 | ||
| 容許切削負載力矩 (轉盤夾緊時) | F軸向力 | N (kgf) | 9700 (989) | 14000 (1428) | 14000 (1428) | |
| FxL徑向力 | N.m (kgf.m) | 78.4 (8) | 78.4 (8) | 156.8 (16) | ||
| FxL傾斜力矩 | N.m (kgf.m) | 410 (41.8) | 1020 (104) | 1020 (104) | ||
| 容許負載慣性矩 | J=W.D2/8 | kg.m2 (kg.cm.sec2) | 0.2 (1.99) | 0.54 (5.5) | 0.83 (8.4) | |
| 旋台重量(不含伺服馬達) | kg | 32 | 47 | 55 | ||
企业名称:
上海潭兴企业有限公司
公司电话:
021-59785163
公司地址:
上海市青浦区崧盈路1299号5号楼1楼
资料获取:
021-59785162-8003
扫码关注我们
Copyright@2021 备案号:沪ICP备19042082号 技术支持:应客网 sitemap.xml