您好!欢迎来到上海潭兴企业有限公司官方网站!我司为台湾潭兴精工有限公司大陆分公司。




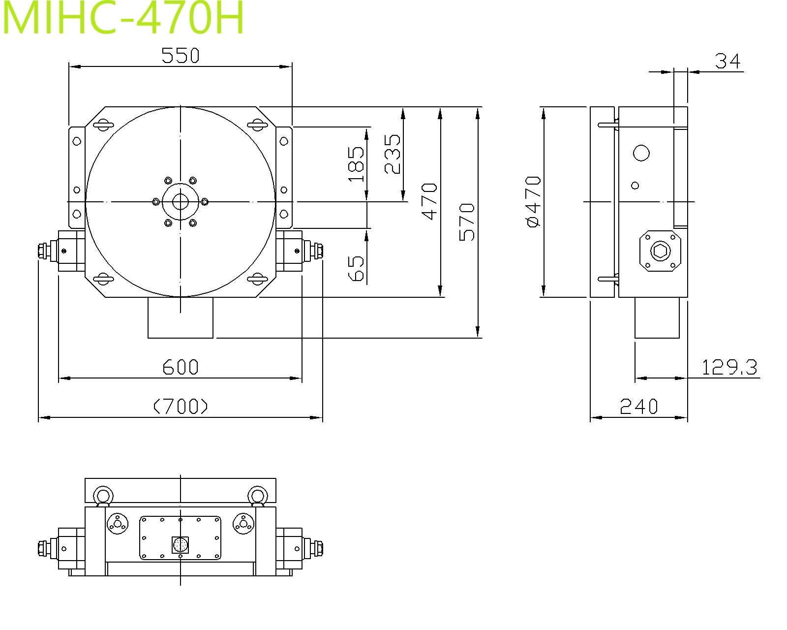
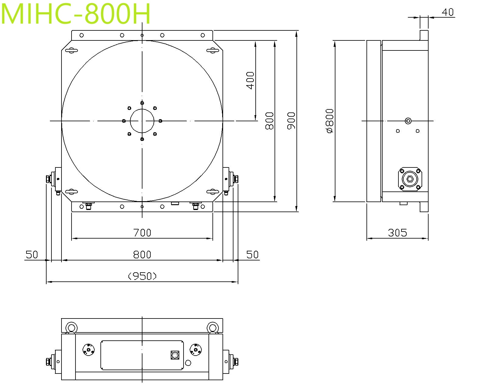
| 規格/型號 | 單位 | MIHC-340H | MIHC-470H | MIHC-600H | MIHC-800H | ||
|---|---|---|---|---|---|---|---|
| 旋台直徑 | mm | ?340 | ?470 | ?600 | ?800 | ||
| 總高度 | mm | 210 | 240 | 260 | 305 | ||
| 中心孔直徑 | mm | ?65H6 Dep.11 | ?90H6 Dep.11 | ?110H6 Dep.18 | ?120H6 Dep.40 | ||
| 貫穿孔徑 | mm | ?31 | ?41 | ?53 | ?80 | ||
| 割出數(等分) | 標準 | 2,3,4,6,8,12等分 (其中一種固定分割) | |||||
| 特殊 | 5,9,10…等分 (接受訂製) | ||||||
| 分度精度 | sec. | ±5" | |||||
| 重覆精度 | sec. | ±1" | |||||
| 旋轉台迴轉方向 | CW.&CCW. 順時鐘方向或反時鐘方向均可 | ||||||
| 旋轉台迴轉扭力 | kgf-m | 60 | 80 | 100 | 280 | ||
| 容許瞬間慣性 (GD2=W?Da2/2(kgm2) | kg/m2 | 85 | 180 | 500 | 1200 | ||
| 夾持力 | N (kgf) | 15288(1560) | 38906(3970) | 77576(7916) | 110740(11300) | ||
| 使用壓力 (鎖緊方式) | kg/cm2 | 35 | 35 | 35 | 35 | ||
| 旋轉的時間(每90°含鬆開夾緊) | s | 2.5 | 3.5 | 6 | 10 | ||
| 本體固定方式 | 臥式專用,盤面朝上 | ||||||
| 容許工件載重 | 臥式安裝時 | kg | 500 | 700 | 1250 | 2400 | |
| 容許切削負載力矩 (轉盤夾緊時) | F軸向力 | N (kgf) | 15288 (1560) | 38906 (3970) | 63190 (6448) | 94080 (9600) | |
| FxL徑向力 | N.m (kgf.m) | 1421 (145) | 5390 (550) | 8232 (840) | 19110 (1950) | ||
| FxL傾斜力矩 | N.m (kgf.m) | 3254 (332) | 13994 (1428) | 194040 (1980) | 39200 (4000) | ||
| 旋台重量 | kg | 130 | 275 | 550 | 1000 | ||
企业名称:
上海潭兴企业有限公司
公司电话:
021-59785163
公司地址:
上海市青浦区崧盈路1299号5号楼1楼
资料获取:
021-59785162-8003
扫码关注我们
Copyright@2021 备案号:沪ICP备19042082号 技术支持:应客网 sitemap.xml